Zum Hauptinhalt springen Zur Suche springen Zum Menü springen

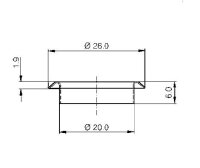
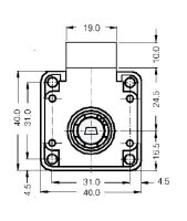
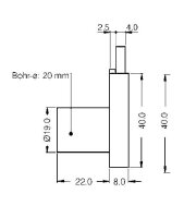
SIM002 Schubladenschloss verschiedenschließend inkl. Wechselzylinder


3,95 €
inkl. 19% USt. , zzgl. Versand
  • Lieferstatus: Versandfertig in 3-4 Werktagen